电机系列 电机系列

电机系列

首页 > 产品中心 > 电机系列
Image

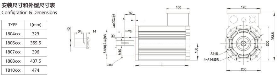
GSZ18F交流永磁伺服电机

产品简介

产品特点
1.采用高强度铝型材外壳,外形和风道经过有限元温度分析、最后优化确定,独立轴流风机,温度梯度大,散热效果好;
2.超高内禀矫顽力,耐高温稀土永磁材料;
3.温度保护支持PTC130、KTY84;
4.配合驱动器转动惯量低、响应快、低噪音;
5.欧标欧标航空插头、标配旋转变压器控制转矩,转速平稳,也可根据客户需求安装其他种类编码器;
6.自冷,适合短时间使用(S1工作制);


立即咨询